
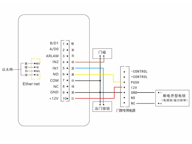
二維碼門禁一體機使用門禁專用電源的接線方法,以下是我們使用到的器材:二維碼一體機、門禁專用電源、電插鎖、出門按鈕、端子線。注意:所有接線不允許帶電操作,先斷電。部分設備線序及顏色與本視頻中的可能不符,以我們設備絲印貼紙為準。

第一步:先接設備電源,將門禁設備10P(或8P)端子線的電源正級(紅線)接到電源箱的12V,電源負極(黑線)接到電源箱的GND。
第二步:接開鎖信號,將門禁設備端子線的繼電器公共端COM(白線)接到電源箱的GND,也就是說將COM與GND短接;繼電器常開NO(黃線)接到電源箱的PUSH,若電源箱有兩個PUSH,則接到第一個PUSH,標識為PUSH1或PUSH2。
第三步:接電鎖,電插鎖與磁力鎖線接都相同,電鎖的紅色線接到電源箱的NC,電鎖的黑色線接到電源箱的GND。若電鎖無紅黑線則不區分正負極。
第四步:接出門按鈕,將門禁設備的出門按鈕IN1(藍線),接到出門按鈕一端,出門按鈕另一端,用一根單獨的線接到GND。出門按鈕還有另一種接法:按鈕端的線,不接掃碼門禁設備,直接接到門禁電源的PUSH,另一端還是GND,此種接法的優勢是:門禁設備拆卸后,使用按鈕還能開門。出門按鈕的接線,不區分正負極。
注意:門禁設備端子線,其它不使用的線,逐根用電工膠布包好?,F在通電進行測試,門禁設備10P(或8P)端子線插入設備,上電后,設備正常啟動,按按鈕能開門。
第五步:接網絡,若門禁設備不需要網絡則忽略這一步。將門禁設備四芯端子線按如圖所示接好,端子插入設備。網絡也使用RJ45頭,但一般正式施工時不建議使用RJ45轉換頭,且網線不超過30米。

網站地圖
|
聯系我們
|
關于我們
? 塞伯羅斯 版權所有 ALL Rights Reserved.
粵ICP備18069998號-1